Описание
Характеристики
Отзывы
Сопутствующие файлы
Вопрос-Ответ 0
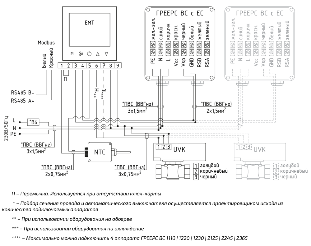
Командоконтроллер ЕMT со встроенным термостатом
Командоконтроллер ЕMT со встроенным термостатом и недельным таймером применяется с водяными тепловентиляторами ГРЕЕРС ВС с двигателем типа ЕС.
Возможности командоконтроллера:
- Автоматическая или ручная регулировка работы;
- Контроль температуры воздуха в помещении (через открытие/закрытие клапана или настройку производительности тепловентилятора);
- Подключение внешнего датчика температуры NTC;
- Подходит для европейской и стандартной соединительной электрической коробки;
- Максимальная длинна провода управления 50 м.
Возможности подключения:
- до 4 аппарата ГРЕЕРС ВС 1110ЕСМ | 1220ЕСМ | 1230ЕСМ
- до 4 аппарата ГРЕЕРС ВС 2125ЕСМ | 2245ЕСМ | 2365ЕСМ
Навигация:

Технические характеристики:
| Питание: | 240 В/50 Гц |
| Регулировка: | сенсорные кнопки |
| Диапазон настройки температуры: | +5...+35° С |
| Диапазон рабочей температуры: | +5...+99° С |
| Датчик температуры: | встроенный внутренний / внешний NTC (опционально) |
| IP: | 20 |
| Коммуникация с BMS: | Протокол MODBUS-RTU, стандарт RS485 |
Схема подключения командоконтроллера ЕМТ с ЖК-дисплеем для аппаратов с ЕС-двигателями****

ГреерсВсе товары бренда

Характеристики
Особенности оплаты:
Доступен Яндекс Сплит (оплата частями)
Общие характеристики
Бренд:
Вид комплектующего:
Комплектующие для
водяных тепловентиляторов ГРЕЕРС ВС с двигателем типа ЕС
Цвет:
Белый
Гарантия:
2 года
Электропитание:
220
Тип двигателя:
Степень пылевлагозащиты:
IP20
Габаритные размеры
Размер (Ш×В×Г), мм:
86 × 86 × 43
Отзывов ещё нет — ваш может стать первым.
Все отзывы 0
Спасибо!Ваш отзыв появится на сайте после проверки.
Сопутствующие файлы
- emt_tehdokumentatsiya_mail_012020.pdf (0.90 MBytes) - Техническая документация
Подборки товаров в категории



































